MITSUBISHI 449 PTO Mechanical (With Flange)
MITSUBISHI 449 PTO Mechanical (With Flange)
MITSUBISHI 449 PTO Mechanical (With Flange)
MITSUBISHI 449 PTO Mechanical (With Flange)
MITSUBISHI 449 PTO Mechanical (With Flange)
MITSUBISHI 449 PTO Mechanical (With Flange)

MITSUBISHI 449 PTO MECHANICAL (WITH FLANGE)

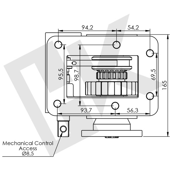
Product Description:

The torque output of a power take-off is influenced by its design and structural parameters. When choosing a PTO, it’s essential to evaluate the torque capacity and compare it to the specifications of the transmission system. Torque is typically expressed in Newton meters (Nm), representing the maximum available output for each configuration. MITSUBISHI 449 PTO Mechanical (With Flange) has 178,5 N⋅m. (18,2 kg-m.) torque.

Truck Transmissions / Gearboxes have one or more locations which allow for a PTO to be mounted. This Pto can be mounted on LEFT SIDE of the vehicle.

Our this PTO has RIGHT (CW) (Clockwise) rotation. Rotation is the key factor for the right choice of pumps or other mechanical devices in which rotation direction must be uniform with the PTO. Warning! The PTO rotation is defined when facing the PTO output. As a result, the pump rotation would be the opposite.

Hydraulic gear pumps are often equipped with different connection standards to ensure compatibility with a wide range of hydraulic systems. This PTO can be used FLANGED Pumps.

Power Take-Offs (PTOs) use different control mechanisms to engage or disengage the system based on the application and operational environment. This Power Take-Off is one of HIDRAKA's MECHANICAL Controlled PTOs.

The output speed of a PTO refers to the rotational speed at which the PTO drives the connected equipment. This speed is critical for ensuring compatibility and efficient operation of the driven machinery. This product has 300 rpm. output speed.

Most PTOs have a specific gear ratio which determines how the engine speed is multiplied or reduced. Our this PTO has a 1:1 Transmission Ratio.

The power output of a PTO refers to the amount of energy it can transfer to the connected equipment, typically measured in kilowatts (kW) or horsepower (HP). The power is critical for determining whether the PTO can effectively drive the attached machinery. This product has 7 kW. power.
Technical Details
Specification Value
Torque (NM) 178,5 N⋅m.
Torque (KGM) 18,2 kg-m.
Power (KW) 7 kW.
Output Speed (RPM) 300 rpm.
Transmission Ratio 1:1
Pump Connecting Flanged Show All
Connection Type Left Side Show All
Control Type Mechanical Show All
Rotation Right (CW) (Clockwise) Show All
Weight (KG.) 9,4 Kg.
Transmissions/ Gearboxes
Transmissions/ Gearboxes
MITSUBISHI M 1S-5/4,444 MITSUBISHI M 1S-5/4,444 (DENTI DIRITTI) MITSUBISHI M 2S-5/5,494 (DENTI DIRITTI) MITSUBISHI M 2S-5/5,886 (DENTI DIRITTI) MITSUBISHI M 3S-5/5-181 (DENTI DIRITTI)
Vehicles - Models
Vehicles - Models
HYUNDAI HD 65 HYUNDAI HD 72 HYUNDAI HD 50 HYUNDAI HD 77 MITSUBISHI CANTER 60 KIPPER MITSUBISHI CANTER 60 TURBO MITSUBISHI CANTER FB 35 D MITSUBISHI COLT FE 114 (DIESEL) MITSUBISHI FE 434 MITSUBISHI FC 432 MITSUBISHI FC 300 MITSUBISHI FC 312 MITSUBISHI FC 332 MITSUBISHI FE 311 MITSUBISHI FE 334 MITSUBISHI FE 331 MITSUBISHI FE 444 MITSUBISHI FE 35 MITSUBISHI FE 114 MITSUBISHI FE 211 MITSUBISHI FE 444 EX MITSUBISHI CANTER 444 MITSUBISHI CANTER 449
Labels :
MITSUBISHI 449 PTO Mechanical (With Flange)

 

WRITE US (WHATSAPP)
402
All original part numbers, model numbers, reference numbers,
and brand names are used only for identification and comparison
purposes. They do not imply that the products are original (OEM).
HIDRAKA warrants that its products shall be free from
defects in material and workmanship under
normal use and service for
1 year (12 months) from the date of shipment.
E-NEWSLETTER
Do you want to be aware of the latest news and updates? Please sign up for the e-newsletter subscription and HIDRAKA will keep you informed.
For reliable and better hydraulic, call us at